| Availability: | |
|---|---|
| Quantity: | |
| PDF Export | |
M301
SiRON
9001909090
About selection

Selection example: M301-2-50-BC-M05B-E5 is M301 series, lead 2mm, stroke 50, motor exposed, Mitsubishi 50W with brake, no origin sensor, no limit sensor;
Note: If you need other styles, please consult our sales staff.
Origin sensor: the limit of selection stroke 50mm: (1) Origin type limit should be placed on different sides, (2) induction plates should be installed on both sides of the slide seat;
Product specification
| Project | Specification | ||||
| Speciiatons | Motor power | 50W/100W | |||
| Repeatability(mm) | ±0.01 | ||||
| Ball screwlead(mm) | 2 | 5 | 10 | ||
| Maximum speed(mm/s) | 100 | 250 | 500 | ||
| Maximum payload(kg) | Horizontal | 25 | 20 | 12 | |
| Vertical | 8 | 8 | 3.5 | ||
| Rated thrust(n) | 424 | 141 | 71 | ||
| Stroke pitch(mm) | 50-800mm/50 interval | ||||
| Sarts | AC Servo motor output(w) | 100 | |||
| Can be equipped with stepping motor | 42/57 | ||||
| Ball crew(mm) | C7 φ10 | ||||
| Coupling(mm) | 7×8 | ||||
| Home sensor | Outside | K017-A6 | |||
Installation method

Allowable overhang

Static loading moment

Suitable motor brand
| Brand | The motor mark | Whether the brakes | Motor capacity | voltage | Motor model | voltage |
Mitsubishi | M | No brakes(horizontal style) | 100 | 220 | HG-KR13 | MR-J4-10A |
| With brake (vertical style) | 100 | 220 | HG-KR13B | MR-J4-10A | ||
Panasonic | P | No brakes(horizontal style) | 100 | 220 | MSMD012G1U | MADHT1505 |
| With brake (vertical style) | 100 | 220 | MSMD012G1V | MADHT1505 | ||
| Delta | T | No brakes(horizontal style) | 100 | 220 | ECMA-C20401ES | ASD-B2021-B |
| With brake (vertical style) | 100 | 220 | ECMA-C20401FS | ASD-B2021-B |
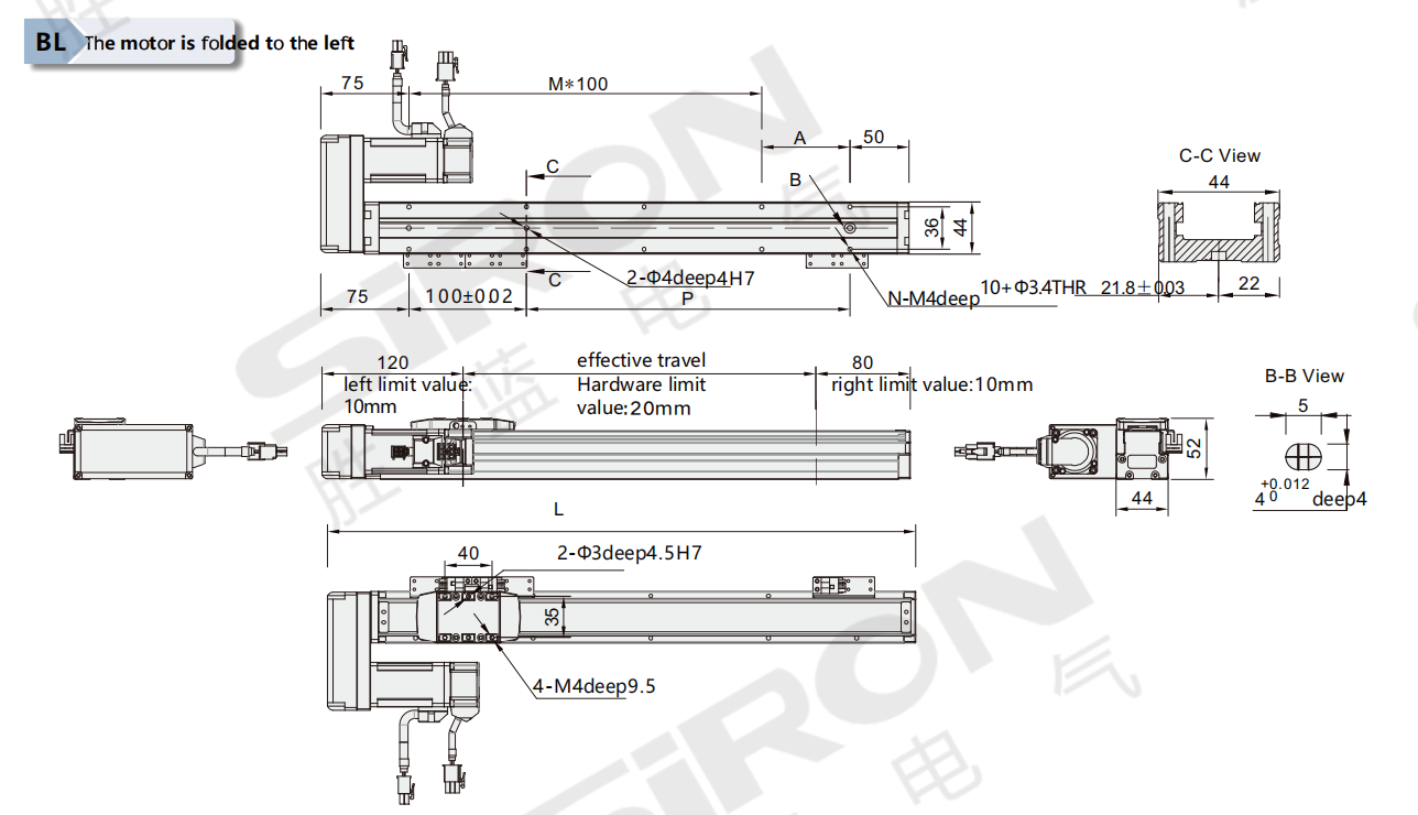
General dimension drawing

When the stroke is 50, as the fixed holes of the locking type on the main body will be covered by the slide seat, only 4 screws can be used for fixation.
It is recommended that the customer use the bottom-locking type fixed holes to lock the main body
| Stroke | 50 | 100 | 150 | 200 | 250 | 300 | 350 | 400 | 450 | 500 | 550 | 600 | 650 | 700 | 750 | 800 |
| L | 268 | 318 | 368 | 418 | 468 | 518 | 568 | 618 | 668 | 718 | 768 | 818 | 868 | 918 | 968 | 1018 |
| A | 25 | 75 | 25 | 75 | 25 | 75 | 25 | 75 | 25 | 75 | 25 | 75 | 25 | 75 | 25 | 75 |
| M | 1 | 1 | 2 | 2 | 3 | 3 | 4 | 4 | 5 | 5 | 6 | 6 | 7 | 7 | 8 | 8 |
| N | 6 | 6 | 8 | 8 | 10 | 10 | 12 | 12 | 14 | 14 | 16 | 16 | 18 | 18 | 20 | 20 |
| P | 25 | 75 | 125 | 175 | 225 | 275 | 325 | 375 | 425 | 475 | 525 | 575 | 625 | 675 | 725 | 775 |
| Weight(kg) | 1.36 | 1.61 | 1.86 | 2.11 | 2.35 | 2.60 | 2.85 | 3.10 | 3.34 | 3.59 | 3.84 | 4.09 | 4.34 | 4.59 | 4.84 | 5.09 |

When the stroke is 50, as the fixed holes of the locking type on the main body will be covered by the slide seat, only 4 screws can be used for fixation.
It is recommended that the customer use the bottom-locking type fixed holes to lock the main body
| Stroke | 50 | 100 | 150 | 200 | 250 | 300 | 350 | 400 | 450 | 500 | 550 | 600 | 650 | 700 | 750 | 800 |
| L | 250 | 300 | 350 | 400 | 450 | 500 | 550 | 600 | 650 | 700 | 750 | 800 | 850 | 900 | 950 | 1000 |
| A | 25 | 75 | 25 | 75 | 25 | 75 | 25 | 75 | 25 | 75 | 25 | 75 | 25 | 75 | 25 | 75 |
| M | 0 | 0 | 1 | 1 | 2 | 2 | 3 | 3 | 4 | 4 | 5 | 5 | 6 | 6 | 7 | 7 |
| N | 4 | 4 | 6 | 6 | 8 | 8 | 10 | 10 | 12 | 12 | 14 | 14 | 16 | 16 | 18 | 18 |
| P | 25 | 75 | 125 | 175 | 225 | 275 | 325 | 375 | 425 | 475 | 525 | 575 | 625 | 675 | 725 | 775 |
| weight(kg) | 1.66 | 1.91 | 2.16 | 2.40 | 2.65 | 2.90 | 3.14 | 3.39 | 3.64 | 3.89 | 4.14 | 4.39 | 4.64 | 4.89 | 5.14 | 5.39 |
Note: When the motor is folded down, if a brake motor is selected or the total length limit of the motor is exceeded, the standard PIN hole cannot be applied. If you have any needs, please consult our sales staff.

When the stroke is 50, as the fixed holes of the locking type on the main body will be covered by the slide seat, only 4 screws can be used for fixation. It is recommended that the customer use the bottom-locking type fixed holes to lock the main body.
| Stroke | 50 | 100 | 150 | 200 | 250 | 300 | 350 | 400 | 450 | 500 | 550 | 600 | 650 | 700 | 750 | 800 |
| L | 250 | 300 | 350 | 400 | 450 | 500 | 550 | 600 | 650 | 700 | 750 | 800 | 850 | 900 | 950 | 1000 |
| A | 25 | 75 | 25 | 75 | 25 | 75 | 25 | 75 | 25 | 75 | 25 | 75 | 25 | 75 | 25 | 75 |
| M | 1 | 1 | 2 | 2 | 3 | 3 | 4 | 4 | 5 | 5 | 6 | 6 | 7 | 7 | 8 | 8 |
| N | 6 | 6 | 8 | 8 | 10 | 10 | 12 | 12 | 14 | 14 | 16 | 16 | 18 | 18 | 20 | 20 |
| P | 25 | 75 | 125 | 175 | 225 | 275 | 325 | 375 | 425 | 475 | 525 | 575 | 625 | 675 | 725 | 775 |
| weight(kg) | 1.66 | 1.91 | 2.16 | 2.40 | 2.65 | 2.90 | 3.14 | 3.39 | 3.64 | 3.89 | 4.14 | 4.39 | 4.64 | 4.89 | 5.14 | 5.39 |

When the stroke is 50, as the fixed holes of the locking type on the main body will be covered by the slide seat, only 4 screws can be used for fixation.
It is recommended that the customer use the bottom-locking type fixed holes to lock the main body.
| Stroke | 50 | 100 | 150 | 200 | 250 | 300 | 350 | 400 | 450 | 500 | 550 | 600 | 650 | 700 | 750 | 800 |
| L | 250 | 300 | 350 | 400 | 450 | 500 | 550 | 600 | 650 | 700 | 750 | 800 | 850 | 900 | 950 | 1000 |
| A | 25 | 75 | 25 | 75 | 25 | 75 | 25 | 75 | 25 | 75 | 25 | 75 | 25 | 75 | 25 | 75 |
| M | 1 | 1 | 2 | 2 | 3 | 3 | 4 | 4 | 5 | 5 | 6 | 6 | 7 | 7 | 8 | 8 |
| N | 6 | 6 | 8 | 8 | 10 | 10 | 12 | 12 | 14 | 14 | 16 | 16 | 18 | 18 | 20 | 20 |
| P | 25 | 75 | 125 | 175 | 225 | 275 | 325 | 375 | 425 | 475 | 525 | 575 | 625 | 675 | 725 | 775 |
| weight(kg) | 1.66 | 1.91 | 2.16 | 2.40 | 2.65 | 2.90 | 3.14 | 3.39 | 3.64 | 3.89 | 4.14 | 4.39 | 4.64 | 4.89 | 5.14 | 5.39 |
Note: When the motor is folded down, if a brake motor is selected or the total length limit of the motor is exceeded, the standard PIN hole cannot be applied. If you have any needs, please consult our sales staff