| Availability: | |
|---|---|
| Quantity: | |
| PDF Export | |
K090-1-C1 series
SiRON
9031809090
About selection

Selection example: K090-1-C1 indicates the K090-1 series, serial number C1.
Specifications
Model | K090-1-C1 |
Appearance | ![]() ![]() |
Contacttype | Type A contact (normally open) |
Contact power | 70W |
Switching voltage | DC 200V;AC 250V |
Breakdown voltage | DC 400V |
Switching current | 1.0A |
Load current | 1.75A |
Contact impedance | 0.3Ω |
Insulation resistance | 10⊃1;Ω |
Contact capacity | 0.2Pf |
Operatingtemperature range | 0~+70℃ |
Material | Sensor: Aluminum; Trigger: Aluminum |
Cable | Ul2464,18AWG,80℃,300V |
Wire strength | The wire can withstand a force of 1 kg for more than 1 minute without breaking. |
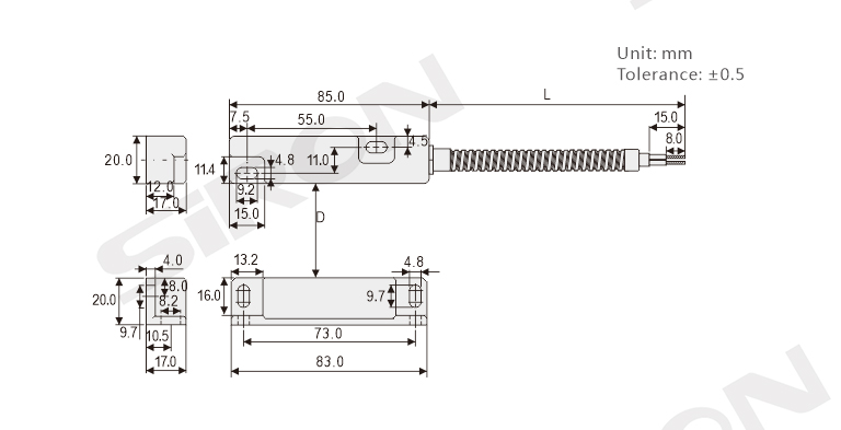
Dimension
